Hopper Weighing System
TWT-07
Any Existing or New Installation of hoppers can be converted into hopper weighing System. The user can get the weight data on Digital indicator, In Computer System, On Mobile Device or even by SMS.
The load cells of required capacity are placed between pedestals and the hopper. Now the hopper is placed on the load cells and the inlet and outlet lines of the hopper are also fitted with suspension bellows (if required) to enhance the performance of the system. If the outlet line (normally at the bottom of the hopper) is not fitted with suspension bellows, then the performance and accuracy of the weighment will be hampered because of continuous interference caused by the pipeline.
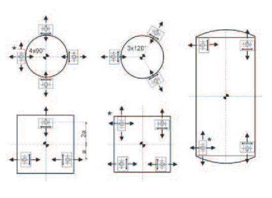
The number of load cells in a hopper weighing system depends on the number of pedestals that support the hopper. For a new installation, engineers can adjust the number of load cells accordingly. However, when they fit the weighing system into an existing hopper, the number of load cells must match the number of pedestals or mounting pillars.
A lower-capacity circular hopper typically rests on three load cells, whereas heavy and rectangular or square tanks require at least four load cells to provide proper support for the hopper structure. Depending on the hopper’s size and application, engineers can increase the number of load cells as needed.
Our TWH-07 Hopper Weighing System offers a low-profile solution for high-capacity vessel weighing applications. The assembly integrates the compression transducer, mounting hardware, and suspension to support the vessel and control the load application. This system suits both indoor and outdoor environments. We design all hardware to meet specific requirements, including resistance to corrosive conditions or other operational needs.
Additionally, we can fit the system with uplift protection to secure the vessel against dismounting and to stabilize it during operation.
The indicator part is the most vital and feature rich part of our TW-07 system. It comes with host of welcome features. Our indicators, controllers and signal conditioners as well as convertors are based on state of the art ultra – modern technologies to cater to any level of automation and needs of the customer. Be it interlinking with PLC, Computer or automating the complete system with as many features required by the customer.
Applications:
1. Big storage Hoppers.
2. Mixers, Kneaders and stirrers.
3. Dissolvers.
4. Reacting and Heating Tanks.
Salient Features:
– Easy to Install in Limited Space
– Modular design for easy installation and maintenance
– Lift off Protection
– Wide temperature range available
– Resistance against vibration
– Ideally suited for any liquid or solid weighing and accurate batch preparation for batch process weighing application.
– Simple in Design, system consisting of Quality shear beam or compression load cells meeting IP-67/68 standards.
– Junction box meeting IP-65/55 standards.
– Indicator options: Simple weight display, With power on weight display (whenever the TW-07 system is turned on, the actual weight of the material in the tank is displayed), Relay outputs for filling systems and batching systems, 4-20ma, 0-10v DC, Bluetooth.
– Weather proof and Flameproof indicators available (Optional).
Technical Specifications
Rated Capacities: 1K,1.5K,2K,2.5K,3K,5K,7.5K,10K,20K,25K, 35K,50,100k Kgs.
Full scale output (Load cell): 2.0 or 3.0 mv/v
Combined error: <0.03% FSO
Non Linearity: <0.01% FSO
Hysteresis: <0.02% FSO
Creep: <0.01 in 30 Minutes (% FSO)
Non Repeatability: <0.01 % FSO
Zero Balance: <1.0 % FSO
Insulation Resistance: >1000 Megaohms at 50VDC
Temperature effect on zero: < 0.01 % FSO /Degree Celsius
Temperature effect on output: <0.001 % FSO/ Degree Celsius
Compensated Temperature Range: 10-50 Degree Celsius
Operating Temperature Range: 0-50 Degree Celsius
Safe Side load: 100% of Rated Capacity
Safe Overload: 150% of Rated Capacity
Ultimate Overload: 300% Of Rated Capacity
Link to Video: https://youtu.be/9SVuIZwY6M0

